用途及主要特點
廣泛用于起重、運輸、冶金、礦山、港口、碼頭、建筑等機械驅動裝置的減速或停車制動。
安裝尺寸及制動力矩參數符合GB6333-86,技術要求符合JB/T6406-2006。
性能安全可靠,制動平穩(wěn),動作頻率高。
主要擺動鉸點均安裝有自潤滑軸承,傳動效率高,使用過程中無需潤滑。
制動彈簧布置在彈簧管內,并在一側沒有制動力矩標尺。
卡裝插入式制動襯墊:無石棉、可靠、更換方便快捷。
聯鎖式等退距裝置:使用過程中始終保持兩側瓦塊退距均等。
避免因退距不均使一側制動襯墊浮貼制動輪。
根據客戶要求可增改附加設置。
適用條件
環(huán)境濕度:-20℃~50℃。
空氣相對濕度不大于90%。
使用地點海拔高度符合GB755-2008.
工作環(huán)境中不得有易燃、易爆及防腐蝕性氣體。
否則應采用防爆型或防腐型產品

型號意義


制動器附加功能表

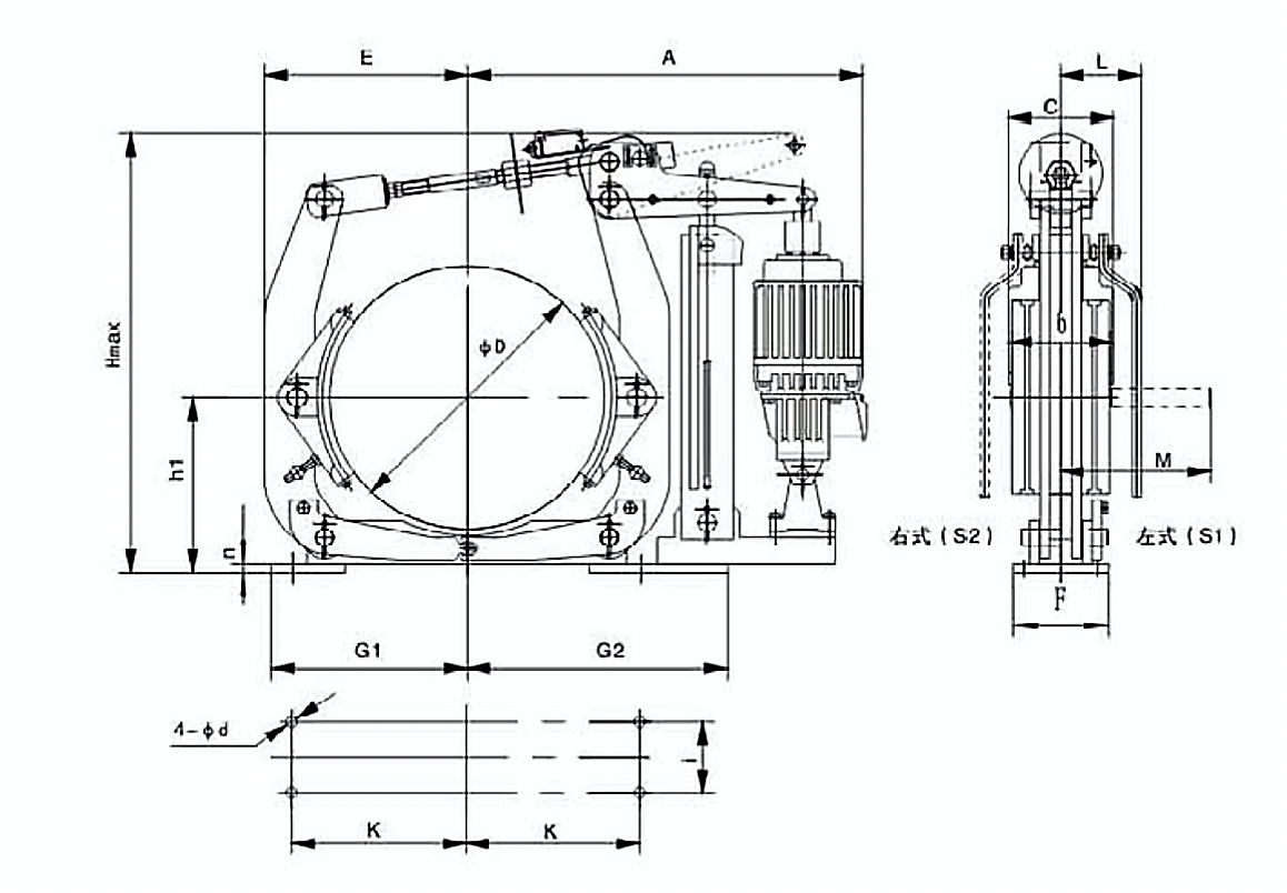
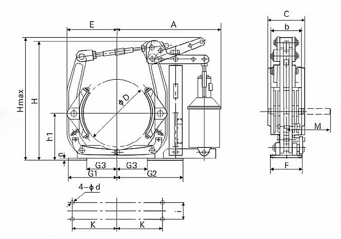
主要技術參數及外形尺寸

技術數據、外表尺寸表

